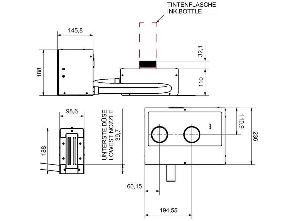
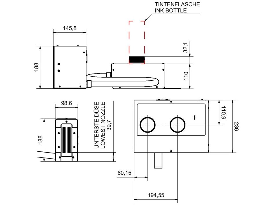
Der Name des Markoprint integra PP 108 bicolor verrät bereits seine maximale Druckhöhe von 108 mm und die Möglichkeit zum Zweifarbdruck. Der Piezo Inkjet Drucker realisiert den in vielen Branchen erforderlichen Großschriftdruck ohne Versatz und druckt hochauflösend Texte, 1D-Barcodes, 2D-Codes und Grafiken wie zweifarbige GHS-Gefahrenpiktogramme. Damit eignet er sich hervorragend als Etikettenalternative. Auf Wunsch druckt der Markoprint integra PP 108 bicolor auch ganz klein, die kleinste Druckhöhe beträgt einen Millimeter. Der schnelle Textwechsel mit mehr als 50 variablen Daten pro Sekunde ermöglicht die Produkt-Serialisierung, was besonders bei der Highspeed-Kennzeichnung der Pharma- und Kosmetikbranche von Bedeutung ist.
Einzigartig ist die Bicolor-Funktion für den Zweifarb-Druck. Sie ermöglicht z. B. GHS-Kennzeichnungen in Schwarz und Rot mit einem Gerät, der Inkjetdrucker benötigt dafür keinen weiteren Druckkopf. Mit der zum Lieferumfang gehörenden Software Markoprint integra Command erstellen und verwalten Sie Ihre Drucklayouts ganz einfach am PC. Neben einem praktischen Tintenverbrauchsrechner verfügt die Software über viele weitere arbeitserleichternde Funktionen.