Etikettieranlage

Geset 247

Ober- und Unterseitenetikettierer für Produkte, die aufgrund ihrer Geometrie geklemmt transportiert werden

  • 2 Etiketten pro Produkt
  • Kompakte, leicht integrierbare Bauweise
  • Erweiterbar mit Drucktechnologien für variable Daten
  • Etikettenformat min. 20 x 25 mm, max. 135 x 300 mm
  • Etikettiert bis zu 300 Produkte/min

Dank Klemmband: sicher geführt, präzise etikettiert

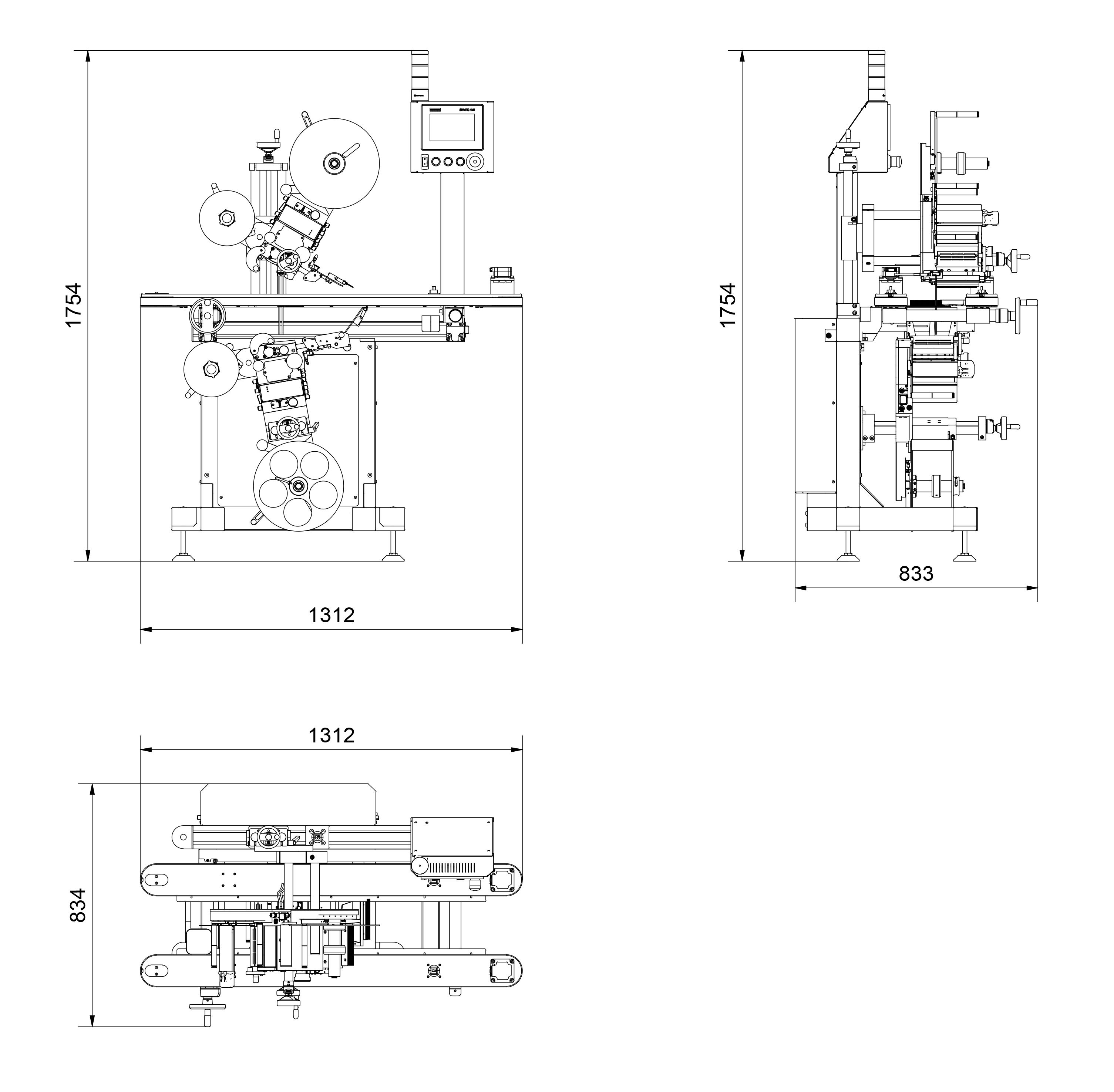
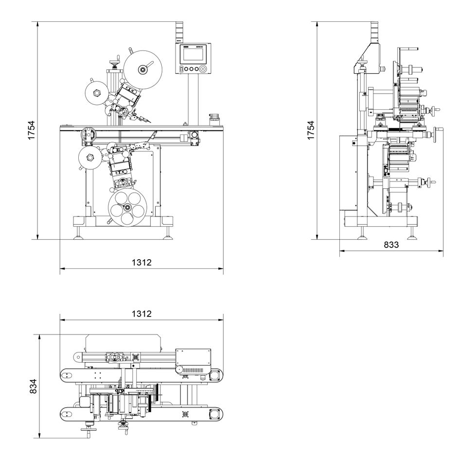
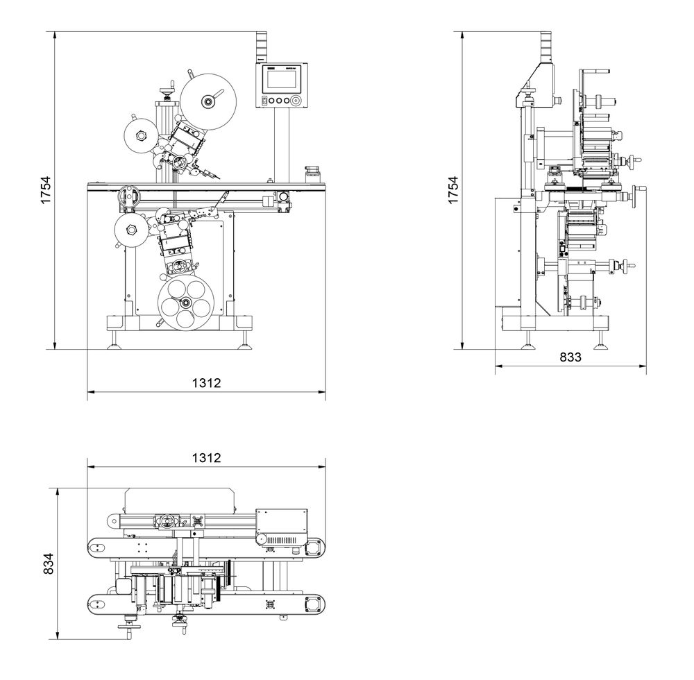
Die CE-konforme Etikettieranlage Geset 247 wurde speziell für maximale Benutzerfreundlichkeit und einfache Integration in bestehende Produktionslinien entwickelt. Die modulare Anlage etikettiert Produkte zuverlässig auf der Ober- und Unterseite. Für einen gleichbleibend stabilen Produktfluss im Etikettierprozess sorgt das integrierte Klemmband. Die Etikettierung übernehmen zwei Alpha HSM Highspeed-Etikettenspender. Dank des zentralen Touchdisplays sowie einer Nahfeldbedienung ist die Steuerung intuitiv – ideal auch für weniger geschultes Personal. Ein schneller Rollen- und Formatwechsel reduziert Stillstandszeiten und erhöht die Flexibilität.

Produkt- und etikettenabhängige Parameter lassen sich speichern und direkt abrufen. Die kompakte Bauweise mit integriertem Steuerungsgehäuse, steckbaren Komponenten und klarem Design spart Platz und vereinfacht die Wartung. Für einen schnellen und effizienten Support ist die Anlage zudem vollständig fernwartbar. Mit verschiedenen Schnittstellen fügt sie sich nahtlos in moderne Produktionsumgebungen ein.

Anwendungen

Besonderheiten

Für Produkte und Verpackungen in Food, Pharma & Co.

Die Anlage etikettiert Verpackungen wie Kartons, Tiefziehschalen, Schachteln und vergleichbare Produkte und eignet sich für Anwendungen in der Lebensmittel-, Pharma-, Healthcare- und Homecarebranche. Alle Parameter lassen sich produktspezifisch speichern und mit hoher Genauigkeit abrufen – ideal für wechselnde Produkte und kleine Chargen.

Optional erweiterbar mit Drucktechnologien

Sollen auf die Etiketten vor der Applikation variable Daten wie Mindesthaltbarkeitsdatum oder Chargennummer gedruckt werden, lässt sich die Anlage problemlos erweitern. Spezielle Halterungen für Thermotransfer-Direktdrucker und Inkjetdrucker gehören zum Modulumfang und sind sofort verfügbar. Somit können Sie Ihre hochwertigen Labels beim Etikettieren sehr effizient, gut lesbar und präzise mit zusätzlichen Codierungen versehen.

Schaltschrank mit IP54 und Edelstahlausführung optional

Der Austausch des Steuerungsgehäuses gegen einen Schaltschrank mit Schutzart IP54 – zum Schutz vor Spritzwasser bei der Reinigung – ist optional möglich. Zudem ist eine Anlagenausführung in Edelstahl erhältlich, was die Korrosionsbeständigkeit sensibler Komponenten wie Motor und Förderband in stark feuchten und anspruchsvollen Umgebungen erhöht.

Klemmband für noch präzisere Etikettierungen

Die Geset-Anlagen der Serie 24x verfügen über spezielle Klemmbänder, die Produkte präzise und sicher durch den Etikettierprozess führen. Besonders bei leichten, instabil stehenden oder ungleichmäßig geformten Gebinden sorgen die seitlichen Bänder für eine exakte Fixierung und Zentrierung. Aber auch für andere Produkte können Klemmbänder vorteilhaft sein, speziell wenn es auf eine besonders präzise Etikettierung ankommt. Gleichzeitig ermöglichen die Klemmbänder eine schonende Übernahme und Übergabe an Vor- und nachgeschaltete Anlagen, wenn Produkte aufgrund ihrer Beschaffenheit von der Fördertechnik direkt „gepflückt“ bzw. abgegriffen werden müssen.

Technische Daten
Spendedaten
Etikettenposition
Oberseite, Unterseite
Etiketten-Applikationsrate max.
300 /min
Produktgeschwindigkeit bis
30 m/min
Positioniergenauigkeit (+/-)
2 mm
Etikettenformat min. (BxL)
20 x 25 mm
Etikettenformat max. (BxL)
135 x 300 mm
Durchmesser Etikettenrolle max.
300 mm
Etikettenrollen-Kern-Durchmesser
76 mm
Produktgut
Produktmaße max. (HxBxL)
250 x 200 x 500 mm
Produktmaße min. (HxBxL)
20 x 20 x 20 mm
Merkmale
optionale Sonderausstattung
TTO Druckwerk, Markoprint X1 Drucker, Edelstahl Ausführung
Produkttransport
Klemmgurtbänder
Produktverwaltung
ja
HMI
HMI Ausführung
Touchdisplay
Physikalische Aspekte
Abmessung System (HxBxL)
1754 x 833 x 1312 mm
Gewicht
180 kg
ohne Etikettenrolle
Zulassungen
CE, UKCA
Rel. Luftfeuchtigkeit nicht kondensierend
20 - 90 %
Umgebungstemperatur
10 - 30°C
Geräuschentwicklung
75 dB
A-Schalldruckpegel
Anschlussspannung
230 V
Netzfrequenz
50 Hz
Anschlüsse
Druckluftanschluss
6 bar
nur in Verbindung mit optionaler Ausstattung benötigt